×
 

1.8.1 Параметры деформируемой втулки

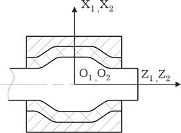
 Шаблон используется при создании силового элемента деформируемая втулка и содержит ее упругие характеристики. Элемент является симметричным относительно продольной оси. Все силы и моменты, действующие на внутреннюю втулку, приложены в её геометрическом центре. Силы и моменты, действующие на внешнюю втулку, приложены, соответственно, в её геометрическом центре. К внутренней втулке привязана система координат , к внешней – . Схема элемента представлена на рис. 1.
 
Рис. 1. Схема деформируемого шарнира
 
Синтаксис метода создания
silentblockParams(dFiZa, MZa, dAlfa, Malfa, dAlfamax, dZa, FZa, dZmax, dRa, FRa, dRmax, e)
 
Обязательные позиционные параметры метода
scalar dFiZa [angle]
Угол кручения, на котором начинается проскальзывание втулки вокруг продольной оси.
scalar MZa [force length]
Момент сопротивления кручению, соответствующий началу проскальзывания втулки вокруг продольной оси.
scalar dAlfa [angle]
Угол перекоса, на котором определен момент сопротивления перекосу.
scalar Malfa [force length]
Момент сопротивления перекосу, соответствующий углу перекоса dAlfa.
scalar dAlfamax [angle]
Предельный по обжатию материала угол перекоса (максимум 45°).
scalar dZa [length]
Осевое смещение, на котором определена продольная сила.
scalar FZa [force]
Продольная сила, определенная на смещении dZa.
scalar dZmax [length]
Предельное по обжатию материала осевое смещение.
scalar dRa [length]
Радиальное смещение, на котором определена поперечная сила.
scalar FRa [force]
Поперечная сила, определенная на смещении dRa.
scalar dRmax [length]
Предельное по обжатию материала радиальное смещение.
scalar e [-]
Эластичность связующего упругого материала по отскоку (коэффициент восстановления энергии).
 
Описание
Из данных проекта о взаимном положении и относительной скорости тел для элемента (с учетом начальных смещений и углов поворота) находятся:
 – радиус-вектор положения центра внешней втулки в системе координат внутренней втулки;
 – скорость перемещения центра внешней втулки в системе координат узла внутренней втулки;
 – трёхкомпонентный вектор углов поворота  относительно
 – вектор угловой скорости поворота  относительно
Предполагается, что внутренняя втулка может прокручиваться относительно внешней вокруг продольной оси, если воздействие превышает заданное значение. При приложении сил или моментов по остальным направлениям существуют пределы смещений, поэтому для описания упругих характеристик используется асимптотическая функция, изображенная на рис. 2. Эта функция характеризуется пределом смещения  и жесткостью при нулевом смещении .
 
Рис. 2. Асимптотическая характеристика жесткости ( – усилие,  – смещение)
 
Усилия, действующие на внешнюю втулку, вычисляются следующим образом.
Продольная сила (действующая вдоль оси ):
.
Упругая  и демпфирующая  составляющие направлены вдоль оси .
Их величины вычисляются следующим образом:
;
,
где  – осевая жесткость при нулевой деформации;
 – проекция радиус-вектора  на ось ;
 – осевое смещение при заданной силе ;
 – коэффициент нормального демпфирования,
 – коэффициент эластичности по отскоку (коэффициент восстановления энергии);
 – предельно допустимое по обжатию материала значение осевого смещения ;
 – проекция на ось  вектора скорости ;
 – малое пороговое значение скорости.
Сила, действующая в плоскости , вычисляется следующим образом:
.
Упругая составляющая  направлена вдоль вектора , который является проекцией радиус-вектора  на плоскость . Величина упругой составляющей вычисляется по формуле:
,
где  – радиальная жесткость при нулевой деформации;
 – радиальное смещение при некоторой заданной силе ;
 – предельно допустимое по обжатию материала значение радиального смещения .
Демпфирующая составляющая  направлена вдоль вектора , который является проекцией на плоскость  вектора скорости . Величина этой составляющей находится следующим образом:
.
Момент сопротивления кручению  вычисляется по формуле:
.
При кручении втулки вокруг оси  упругая составляющая  определяется аналогично элементу «Вращательное трение». До начала проскальзывания, определяемого достижением значения  угловым смещением втулки, момент  возрастает линейно. После достижения критического значения углового смещения начинается проскальзывание втулок друг относительно друга, и  не увеличивается, оставаясь постоянным. Проскальзывание смещает характеристику упругой деформации. Таким образом, упругая  составляющая момента сопротивления кручению, вычисляется следующим образом:
где ;
 – смещение упругой характеристики из-за проскальзывания;
 – жесткость на кручение;
 – момент сопротивления кручению, соответствующий началу проскальзывания шарнира вокруг продольной оси
Демпфирующая  составляющая момента сопротивления кручению направлена вдоль оси , и ее величина определяется выражением:
,
где – малое пороговое значение угловой скорости.
Момент сопротивления перекосу (лежащий в плоскости ):
.
Упругая составляющая  направлена вдоль вектора , и её величина вычисляется по формуле:
,
где  – жесткость на перекос при нулевой деформации;
 – ограничение по углу перекоса,
 – угол перекоса при заданном моменте .
Демпфирующая составляющая  направлена вдоль вектора , который равен проекции угловой скорости  на плоскость . Величина этой составляющей вычисляется по формуле:
.
Силы, действующие на внутреннюю втулку, подчиняются третьему закону Ньютона